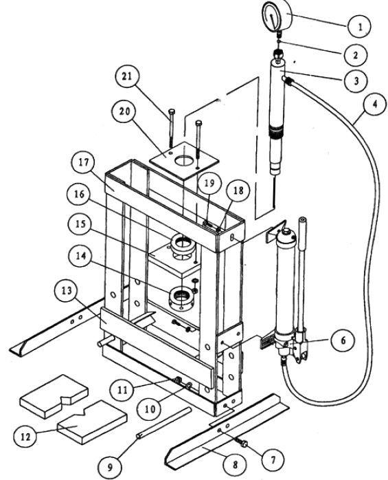
1. Assembly Diagram
-Please see the attached image for assembly instructions.
monstershop.co.uk | ||||||||
Instructions by monstershop T-Mech 10 Ton Bench Mounted Hydraulic Shop Press GaugeThis guide provides step-by-step instructions for assembling components and using the T-Mech 10 Ton Bench Mounted Hydraulic Shop Press Gauge. Product InformationT-MECH 10 Ton Bench Mounted Hydraulic Shop PressThe T-MECH 10 Ton Bench Mounted Hydraulic Shop Press is a heavy-duty professional workshop tool designed for precision pressing, bearing installation, and metal forming tasks. Constructed from thick, heavy-duty steel and featuring three adjustable working heights, it provides strength, stability, and versatility for demanding applications. An integrated analogue pressure gauge ensures accurate force monitoring, while the bench-bolted design and removable press plates offer secure and adaptable operation.
GPSR InformationUK
EU
Materials
|